klantenvertellen
rating-star rating-star rating-star rating-star rating-star
9.7/10
5 min Leestijd

Isolatieweerstand: wat betekent het?

04/01/2021 | Laatst bewerkt op 30 april 2025
Foutmelding op het display van de omvormer of in de monitoring met een tekst als ‘Isolatieweerstand’ ofwel ‘R-iso’.

Foutmelding op het display van de omvormer of in de monitoring met een tekst als ‘Isolatieweerstand’ ofwel ‘R-iso’.

Het overgrote deel van mensen met zonnepanelen zal het nooit tegenkomen, maar bij sommige installaties kan er wel eens een foutmelding verschijnen op het display van de omvormer of in de on-line monitoring met een tekst als ‘Isolatieweerstand’ ofwel ‘R-iso’. Vaak verdwijnt die melding vervolgens weer en lijkt alles in orde. Wat betekent die melding en wat moeten we eraan doen?

Naast het omvormen van gelijkstroom (van de zonnepanelen) naar wisselstroom (in het net), voeren omvormers nog een hele reeks taken uit. Eén daarvan is het voortdurend bewaken van de weerstand tussen de elektrische leidingen aan de kant van de zonnepanelen en de aarde. Zowel de zonnepanelen zelf, als de kabels en connectoren die de panelen aan elkaar en aan de omvormer verbinden, zijn ‘dubbel geïsoleerd’: d.w.z. dat er twee laagjes isolatiemateriaal zitten tussen de spanningsvoerende delen en de rest van de wereld. Dankzij die laagjes lopen we nooit het risico dat we onder spanning komen te staan als we een zonnepaneel of een stuk kabel aanraken.

De Wet van Ohm

Maar zonnepanelen gaan zoals u weet héél lang mee; Zonnefabriek gaat er vanuit dat u minstens 25 jaar, en vaak nog veel langer, profijt zult hebben van uw installatie. En in 25 jaar kan er natuurlijk van alles gebeuren. Hoe secuur een installateur ook heeft gewerkt tijdens de installatie, en hoezeer er ook is gelet op de kwaliteit van de producten, toch kan er in uitzonderlijke gevallen na jaren toch een beschadiging optreden in de isolatielagen. Gelukkig gaat zo’n beschadiging niet onopgemerkt voorbij: de omvormer slaat alarm.

Omvormers meten namelijk voortdurend de waarde van de isolatieweerstand, in Ohm, of liever gezegd: in kilo-Ohm (kΩ, 1 kilo-Ohm = 1000 Ohm). De afkorting van ‘weerstand’ in de natuurkunde is R (van ‘resistance’), zoals in de wet van Ohm: V = I x R. In elk geval geeft de omvormer een melding wanneer de gemeten isolatieweerstand onder een bepaalde minimumwaarde uitkomt. De melding verschilt per type omvormer maar is meestal iets als: ‘Isolatiefout’, ‘Isolatieweerstand’ of ‘R-iso’. Meestal zal de rode LED op de omvormer ook oplichten en zal hij in storingsmodus gaan, en dus geen stroom meer produceren.

(Alléén heel oude omvormers die zijn uitgerust met een transformator zullen niet stoppen met produceren: deze toestellen geven wel aan dat er een probleem is met de isolatieweerstand, maar omdat er minder risico is voor de gebruiker, zullen ze nog wel zonnestroom blijven doorgeven. Toch moet  er wel iets met deze melding worden gedaan!) 

 Meestal zal de rode LED op de omvormer ook oplichten en zal hij in storingsmodus gaan, en dus geen stroom meer produceren.

Meestal zal de rode LED op de omvormer ook oplichten en zal hij in storingsmodus gaan, en dus geen stroom meer produceren.

Niet constant

Als er sprake is van een te lage isolatieweerstand, dan moet er worden gekeken waar het probleem zich precies voordoet, en moet de isolatie weer op het juiste niveau worden gebracht. Het zoeken naar de fout is vaak het lastigste werk: in een string van vele panelen met allemaal kabels en connectoren die onder de panelen en dakpannen door lopen, is het soms lastig zoeken. Als de fout constant is, is het vaak mogelijk om de plek te bepalen op basis van een spanningsmeting tussen de uiteinden van de string en de aarde. Maar het lastige aan de ‘isolatiefouten’ is dat ze vaak juist niet constant zijn: het ene moment verschijnt de melding en de volgende dag lijkt alles weer opgelost: hoe kan dat?

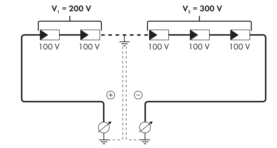
Bij een 'harde' of 'constante' isolatiefout kan de plek worden opgezocht met behulp van een spanningsmeting zoals in dit plaatje

Bij een 'harde' of 'constante' isolatiefout kan de plek worden opgezocht met behulp van een spanningsmeting zoals in dit plaatje

Meestal heeft dat te maken met regen, want veel van de isolatiefouten komen voort uit connectoren die in water komen te liggen. Als een connector lang in water ligt, kan er na verloop van tijd water naar binnen sijpelen en in contact komen met de kabel die onder stroom staat. Water geleidt stroom, en daarom zal de isolatieweerstand onder de kritische grens uitkomen en zal de omvormer in storing gaan. Maar als de plas water waarin de connector ligt, vervolgens weer opdroogt, dan is de weerstand weer op het oude niveau en gaat alles weer aan! Voor de service monteur is het dan lastig zoeken naar de oorzaak van het probleem.

Een connector die heel lang in water heeft gelegen en behoorlijk is aangetast

Een connector die heel lang in water heeft gelegen en behoorlijk is aangetast

Altijd opbinden

De beste truc om dit soort problemen te voorkomen, is om te zorgen dat de connectoren altijd opgebonden zijn, zeker op platte daken waar nog wel eens een laagje water op kan staan. Zonnefabriek gebruikt tie-wraps om de connectoren aan het montage systeem op te binden, en zorgt daarbij dat de tie-wraps sterk en UV-bestendig zijn zodat ze ook na jaren op hun plek blijven.

Mocht u ooit de melding ‘isolatiefout’ of ‘R-iso’ tegenkomen, neem dan contact op met onze service afdeling. Ook als de melding slechts af en toe verschijnt en weer vanzelf verdwijnt, is het beter om de boel te laten controleren, zodat u zeker bent dat alles nog jaren probleemloos blijft werken zoals het hoort.

Onderaanzicht van zonnepaneel op plat dak met een laag water waarin kabels en connectoren hangen: zo moet het dus niet!

Onderaanzicht van zonnepaneel op plat dak met een laag water waarin kabels en connectoren hangen: zo moet het dus niet!